服務熱線:15195518515在線客服:1464856260
傳真號碼:0517-86801009
郵箱號碼:1464856260@qq.com
網 址:http://www.bxsmf.com
地 址:江蘇省金湖縣理士大道61號
酸液液位計各類功能使用要求及電源接線說明示意圖
在生產中應用到的酸液液位計有很多種類型,都是在基本型的基礎上加裝了其它針對性的功能,比如電加熱,比如電遠傳,這些功能都涉及到外接電源,一般上工業現場提供的都是24VDC標準電源,當然也有12VDC或者36VDC。為了更加方便客戶的安裝與使用,本文就酸液液位計經常會遇到關于安裝與使用方面的要求作一個簡單的說明,另附上各類功能性酸液液位計的電源接線示意圖。
磁翻板使用說明:
1. 開箱檢查儀表的型號與選購的型號是否一致,法蘭尺寸及中心距離是否與現場尺寸一致。
2. 液位計安裝需垂直,以保證磁性浮子在主導管內上下運動自如。
3. 液位計與容器之間應裝有閥門,以便清洗和檢修時切斷物料。
4. 液位計筒體周圍不容許有磁體靠近,否則會影響液位計正常工作。
5. 液位計出廠時一般不保溫,但可根據用戶需求代為保溫。如用戶自行采用伴熱管道時,需選用非導磁材料。
6. 為防止運輸途中磁性浮子在主導管內高速滑動而被撞擊,液位計出廠前,用卡絲將磁性浮子固定在下引液管處,用戶在安裝前應先抽出卡絲方能安裝。
7. 1)UPVC、鋁面板液位計安裝完畢后,需用磁鋼進行校正,對磁翻板導引一下,使零位以上顯示白色。
2)磁敏電子雙色液位計如出現只亮一段,或者只顯示一種顏色,是因電壓過低造成,建議更換使用DC24V 2A電源。
8. 液位計投入運行時,應先打開引液管閥門,然后慢慢開啟下引液管閥門,讓液體介質平穩流入,避免液體介質帶著浮子急速上升,造成磁性翻柱翻轉失靈或翻亂(若遇此現象,可用磁鋼重新校正).
9. 如需更換浮子時,應注意重端磁性一端向上,不能倒裝!
10. 液位計筒體內不應有固定雜質進入,以免對浮子造成卡阻。根據介質情況,可定期清洗主導管,清除罐內沉積物雜質。
校準說明:
翻板指示器的校準 所有液位計在出廠之前均進行嚴格的校準,出廠時以下法蘭中心線為零點,以上法蘭中心線為滿度,兩法蘭中心距為儀表的使用范圍。用戶如發現進液后標尺和零位與實際有位差,可松開喉箍,移動翻板的位置,調節翻板(標尺)的位置正好對應實際的液位值。 如果發現指示器翻板排列雜亂無章,可在安裝前用隨貨磁鐵對準翻板自上而下移動,使翻柱排列整齊。 當翻柱排列整齊并且浮子以下為紅色而以上為白色時,說明校準完整,可進水或移動浮子觀察翻柱的變化。
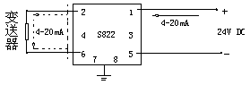
遠傳變送器輸出值的校準
1.按照傳感器接線圖接線,注意24伏的正負;

2、本安防爆
防爆結構適用于有爆炸危險的 環境場合
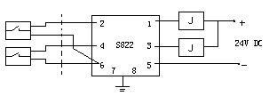
a帶本安防爆,上、下限開關輸出型 防爆開關由于干簧開關和帶繼電 器觸點的安全柵組成,可向用戶直接 提供一對常開或常閉觸點。如用戶需 更多觸點可特殊設計訂貨。接線見圖六

b帶本安防爆遠傳型
適合使用于II類電氣設備(工廠 用)、C級氣體,*高表面溫度組別T4 (135℃)。
接線見圖七。

c使用注意事項
1)酸液液位計的變送器外殼設有外接地,用戶使用時必須可靠接地。
2)安全柵的使用應遵守有關使用說明內容。
3)變送器與安全柵本安端的連接電纜為二芯屏蔽電纜,芯線截面積>0.5 mm2,電纜允許分布電容為0.8uF。
3.緩慢進水,使翻板正好翻到標尺的零位(或用戶事先設定好的位置),調節零位電位器,使電流輸出為4mA;
4.緩慢進水,使翻柱正好翻到標尺的滿度(或用戶事先設定好的位置),調節滿度電位器,使電流輸出正好為20mA; 4.重復以上步驟,直到輸出準確為止。一般出廠均為已調整過,用戶無需再調。如需調節,一般調節2至3遍即可。
其他功能性接線
電子雙色型顯示器供電系統 電熱管接線盒 顯示器為雙電源獨立供電,請務必使用產品配套的電源適配器。

電加熱供電系統

電熱管接線盒 導熱油加注方法:從電加熱層側面接管孔加注導熱油至安全線,不得低于或超過安全線。



|